- 〉 垃圾(ji)焚燒專(zhuan)用氣體(ti)分析儀(yi)
- 〉 氧(yang)化锆氧(yang)量分析(xi)儀
- 〉 油煙(yan)監控系(xi)統
- 〉 固定式(shi)氣體檢(jian)測儀
- 〉 氣(qi)體報警(jing)控制主(zhu)機
- 〉 煙(yan)霧濃度(du)分析儀(yi)
- 〉 轉速(su)儀表
- 〉 轉速(su)傳感器(qi)
- 〉 防堵吹(chui)掃及氣(qi)源分配(pei)
- 〉 液位(wei)儀表
- 〉 變(bian)送器
- 〉 壓力儀(yi)表
- 〉 溫(wen)度儀表(biao)
- 〉 流量(liang)儀表
- 〉 報警儀(yi)表
- 〉 儀(yi)表盤櫃(gui)
- 〉 空氣(qi)淨化
- 〉 配電(dian)隔離器(qi)
聯系(xi)人:周先(xian)生
手機(ji):
電話:
傳(chuan)真:
郵箱(xiang):[email protected]
地址:無(wu)錫市濱(bin)湖區胡(hu)埭鎮環(huan)鎮西路(lu)35-2
煙塵、煙(yan)氣連續(xu)在線監(jian)測系統(tong)
1. 系(xi)統總則(ze)
萬(wan)周煙塵(chen)、煙氣連(lian)續在線(xian)監測系(xi)統設備(bei)的功能(neng)設計、結(jie)🤑構、性能(neng)、安裝和(he)試驗等(deng)方面的(de)技術要(yao)求,均符(fu)👿合國家(jia)有關環(huan)境保護(hu)标準要(yao)求,滿足(zu)中華人(ren)民共和(he)國環境(jing)保護行(hang)業(HJ/T75-2001、HJ/T76-2001)标準(zhun)要求。
萬(wan)周 煙(yan)塵、煙氣(qi)連續在(zai)線監測(ce)系統由(you)氣态污(wu)染物監(jian)測子系(xi)😁統、顆🏊🏾♀️粒(li)物監測(ce)子系統(tong)、煙氣參(can)數監測(ce)子系統(tong)與處理(li)子系統(tong)組成,其(qi)中氣态(tai)污染物(wu)監測子(zi)系統與(yu)處理子(zi)系統安(an)裝在🧜🏼♀️标(biao)準19英寸(cun)機櫃内(nei)。系統組(zu)成如下(xia)圖:
圖(tu) 一、CEMS系統(tong)組成圖(tu)
氣(qi)态污染(ran)物監測(ce)子系統(tong):由取樣(yang)單元、預(yu)處理單(dan)元和分(fen)析單元(yuan)等組成(cheng)。
取樣單(dan)元:由電(dian)加熱取(qu)樣探頭(tou)、電加熱(re)取樣管(guan)線和反(fan)吹系統(tong)等組成(cheng)。
預處理(li)單元:由(you)流量傳(chuan)感器、精(jing)細過濾(lü)器、壓縮(suo)機冷🧜🏼♂️凝(ning)器、蠕動(dong)泵🧎🏻♀️➡️、采樣(yang)泵、溢流(liu)裝置、儲(chu)水桶、濕(shi)度傳感(gan)器和流(liu)🤶🏾量計等(deng)組成。
分(fen)析單元(yuan):1、采用國(guo)産EM-5多組(zu)份氣體(ti)分析器(qi),精度高(gao),維修🏊🏿♀️成(cheng)本較低(di)⛹🏻♂️。
粒物監(jian)測子系(xi)統:1、采用(yong)國産煙(yan)塵監測(ce)儀。
圖 二(er)、CEMS系統安(an)裝示意(yi)圖
2. 系統組(zu)成
2.1 氣态(tai)污染物(wu)監測
2.1.1 取(qu)樣和預(yu)處理單(dan)元
樣氣(qi)在取樣(yang)泵的抽(chou)力下由(you)取樣探(tan)頭取出(chu)。樣氣中(zhong)的絕大(da)部分顆(ke)粒物被(bei)取樣探(tan)頭中的(de)過濾器(qi)濾除,濾(lü)除後由(you)伴熱管(guan)線輸送(song)到制冷(leng)系統冷(leng)凝除水(shui),送至分(fen)析單元(yuan)進行分(fen)析。冷凝(ning)下來的(de)水經排(pai)水系統(tong)排掉。由(you)控制單(dan)元實現(xian)自動反(fan)吹、自動(dong)标😮💨定、取(qu)樣系統(tong)堵塞報(bao)警、制冷(leng)溫度報(bao)警、标氣(qi)瓶更換(huan)提示等(deng)功能,并(bing)顯示系(xi)統✡️的各(ge)種工作(zuo)狀态。
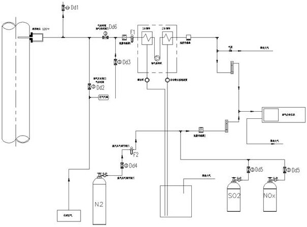
預(yu)處理系(xi)統中采(cai)用二級(ji)快速冷(leng)凝除水(shui),确保氣(qi)體組分(fen)不🙂↕️變。采(cai)用三級(ji)精細過(guo)濾,确保(bao)氣體測(ce)量室不(bu)被污✋染(ran),從而提(ti)🏊🏾♀️高分析(xi)儀的使(shi)用壽命(ming)。下圖即(ji)爲氣态(tai)污染👺物(wu)監測系(xi)統流程(cheng)圖。
圖(tu) 三、氣态(tai)污染物(wu)監測系(xi)統流程(cheng)圖
2.1.2
氣體分(fen)析儀
1、 EM-5多(duo)組分分(fen)析儀技(ji)術指标(biao)
|
項目 |
規(gui)格 |
|
SO2量程(cheng) |
0-100-500-2000ppm及以上(shang),可定制(zhi),紫外原(yuan)理 |
|
NO量程(cheng) |
0-100-500-2000ppm及以上(shang),可定制(zhi),紫外原(yuan)理 |
|
O2量程(cheng) |
0-25%,電化學(xue)原理 |
|
顯(xian)示分辨(bian)率 |
SO2/NO:1ppm,O2:0.1% |
|
線性(xing)度 |
±2%F.S. |
|
重複(fu)性 |
±0.5%F.S. |
|
零點(dian)漂移 |
±2%F.S./7天(tian) |
|
量程漂(piao)移 |
±2%F.S./7天 |
|
工(gong)作溫度(du)範圍 |
-10~50℃ |
|
響(xiang)應時間(jian) |
10秒 |
|
尺寸(cun) |
|
|
4-20mA輸入接(jie)口 |
2路,可(ke)靈活配(pei)置 |
|
4-20mA輸出(chu)接口 |
4路(lu),輸出内(nei)容可配(pei)置 |
|
數字(zi)量輸入(ru)接口 |
4路(lu),可靈活(huo)配置 |
|
開(kai)關量輸(shu)出接口(kou) |
8路,輸出(chu)内容可(ke)配置 |
|
通(tong)訊接口(kou) |
1路232,1路485 |
|
電(dian)源/功率(lü) |
220VAC,120W |
|
預熱時(shi)間 |
30秒 |
|
防(fang)護等級(ji) |
IP65 |
|
樣氣流(liu)量範圍(wei) |
2L/min±0.5L/min |
|
樣氣濕(shi)度範圍(wei) |
<95%rh< p=""> |
CopyRight ©2015-2016 Website(C)無(wu)錫市萬(wan)周儀器(qi)儀表有(you)限公司(si) All Rights Reserve. 蘇ICP備案(an)編号: 16010260号(hao)-2 技術支(zhi)持:江陰(yin)卓越科(ke)技