聯系(xi)人:周先(xian)生
手機(ji):
電話:
傳(chuan)真:
郵箱(xiang):[email protected]
地址:無(wu)錫市濱(bin)湖區胡(hu)埭鎮環(huan)鎮西路(lu)35-2
氣(qi)源淨化(hua)裝置在(zai)電廠中(zhong)大量使(shi)用,壓縮(suo)空氣是(shi)否幹燥(zao)會👯🏾♂️影響(xiang)氣動控(kong)制系統(tong)的安全(quan)穩定運(yun)行,因壓(ya)縮空氣(qi)帶水而(er)導緻機(ji)組故障(zhang)甚至停(ting)機時有(you)發生。壓(ya)縮空氣(qi)雖然經(jing)幹燥處(chu)理,但仍(reng)帶有一(yi)定的水(shui)分。而這(zhe)部分水(shui)分在不(bu)同的季(ji)節随時(shi)間而積(ji)累呈複(fu)雜不确(que)定關🙆🏿系(xi)。因此水(shui)分積累(lei)的結果(guo)是:一方(fang)面影響(xiang)用氣設(she)備👾的安(an)全正常(chang)的工作(zuo),并加速(su)其損壞(huai);另一方(fang)面嚴重(zhong)腐蝕儲(chu)氣、壓縮(suo)機等設(she)備,造成(cheng)惡性循(xun)環。
壓縮空(kong)氣帶水(shui)是電廠(chang)普遍存(cun)在的問(wen)題,目前(qian)一般采(cai)㊙️用手動(dong)疏🧛🏽水閥(fa)人工排(pai)放、利用(yong)機械式(shi)疏水閥(fa)進行疏(shu)水或通(tong)過PLC定時(shi)👧🏾控制電(dian)磁閥進(jin)行排放(fang)。上述排(pai)放均存(cun)在以下(xia)缺點:
( 1 )由(you)于供 / 用汽點(dian)多而面(mian)廣,對疏(shu)水閥進(jin)行人工(gong)巡檢及(ji)手動排(pai)水耗時(shi)費力,且(qie)現場難(nan)以判斷(duan)是否疏(shu)水幹淨(jing)。
( 2 )機械式(shi)疏水閥(fa)偏差大(da)、可靠性(xing)差,出現(xian)故障并(bing)難以修(xiu)理。
( 3 )不具(ju)備在實(shi)時在線(xian)監測功(gong)能,無法(fa)實現即(ji)時在線(xian)控制。
( 4 )PLC 定時控(kong)制排放(fang)不能根(gen)據實際(ji)工況進(jin)行調整(zheng),即管🧑🏽🎄道(dao)👨🏻🏭内無水(shui)它到時(shi)間也排(pai),浪費氣(qi)源并縮(suo)短電磁(ci)閥壽命(ming)。
無(wu)錫市萬(wan)周儀器(qi)儀表有(you)限公司(si) 集(ji)二十餘(yu)年來對(dui)風壓測(ce)量裝置(zhi)的設計(ji)研發經(jing)曆, 對風壓(ya)測量裝(zhuang)置進行(hang)改進, 不斷(duan)升級換(huan)代 , 功(gong)能從單(dan)純的風(feng)壓測量(liang)到風速(su)測量、從(cong)單一的(de)測量功(gong)👻能到目(mu)前的智(zhi)能化控(kong)制系統(tong)。同樣,在(zai)氣源淨(jing)化産品(pin)方面我(wo)們也進(jin)行了更(geng)加深入(ru)的設計(ji)研發🤑,産(chan)品從簡(jian)單的空(kong)氣過濾(lü)處理到(dao)目前的(de)采用進(jin)口 PLC 智(zhi)能控制(zhi)處理過(guo)濾過程(cheng)的裝置(zhi)。都進行(hang)了潛心(xin)研究🧛🏾♀️和(he)🥑️開發,使(shi)我們的(de)産品不(bu)斷完善(shan)、不斷升(sheng)級,也使(shi)我們的(de)用戶愈(yu)來愈多(duo),愈🔞來愈(yu)廣,得到(dao)了廣大(da)用戶的(de)充分好(hao)評。
GAS 型(xing)智能氣(qi)源淨化(hua)裝置在(zai)電廠的(de)氣源控(kong)制中大(da)量🤶🏾廣泛(fan)使用。目(mu)👽前已發(fa)展至進(jin)入第三(san)代可編(bian)程智能(neng)^型産😈品(pin),具有體(ti)積小✍🏻巧(qiao),穩定性(xing)可靠,可(ke)實現在(zai)線安裝(zhuang)、設置、調(diao)試等一(yi)系列優(you)點。
使用我(wo)廠的 GAS 型智能(neng)氣源淨(jing)化裝置(zhi)就能從(cong)根本上(shang)解決以(yi)上的問(wen)題,爲電(dian)😁廠的氣(qi)源控制(zhi)運行提(ti)供穩定(ding)、可靠的(de)保💑🏾證。
二、功(gong)能特點(dian)
GAS 型智(zhi)能氣源(yuan)淨化裝(zhuang)置,該産(chan)品具有(you)體積小(xiao),穩定性(xing)可靠,可(ke)實😁現在(zai)線實時(shi)控制系(xi)統的運(yun)行。能有(you)效解💞決(jue)儀用壓(ya)縮空氣(qi)系🏊🏿♀️統中(zhong)發生氣(qi)動執行(hang)機構或(huo)控制單(dan)元被水(shui)污染的(de)難題。主(zhu)要特點(dian)如下:
l GAS型智(zhi)能氣源(yuan)淨化裝(zhuang)置核心(xin)部分采(cai)用進口(kou)高檔單(dan)片機爲(wei)控制💌核(he)心,增加(jia)了在線(xian)溫度、濕(shi)度檢測(ce)單元模(mo)塊,控制(zhi)程序可(ke)根據檢(jian)測到的(de)實際工(gong)況調整(zheng)排放時(shi)間;
l 良好的(de)人機工(gong)作界面(mian),設置參(can)數永久(jiu)保存,永(yong)不丢失(shi)數據✍🏻。具(ju)有現場(chang)中斷測(ce)試功能(neng)、軟中斷(duan)測試功(gong)能,軟件(jian)😁設計預(yu)留✡️局部(bu)網絡功(gong)能;
l 真正實(shi)現智能(neng)化自動(dong)排水、無(wu)損排水(shui),從根本(ben)上徹底(di)減少固(gu)定間隔(ge)排水方(fang)式所導(dao)緻的電(dian)磁閥頻(pin)繁動作(zuo)和氣源(yuan)損失;
l 當檢(jian)測到管(guan)道内有(you)水并達(da)到一定(ding)水位時(shi),即進行(hang)排👀水,排(pai)^放👧🏾時間(jian)智能控(kong)制,排水(shui)完畢後(hou)即時關(guan)閉閥門(men),從根本(ben)上防止(zhi)出現排(pai)完水後(hou)閥門仍(reng)未關閉(bi)所産生(sheng)的壓縮(suo)空氣直(zhi)接對空(kong)排氣現(xian)象。
l 帶LCD液晶(jing)顯示,可(ke)顯示管(guan)道内氣(qi)體的溫(wen)度、濕度(du)等數據(ju)。
l 帶(dai)測試按(an)鈕,可以(yi)随時測(ce)試電磁(ci)閥動作(zuo)情況并(bing)通過LED予(yu)以顯示(shi)。
GAS 型智(zhi)能氣源(yuan)淨化裝(zhuang)置 特别加(jia)強了安(an)全可靠(kao)性設計(ji),能夠在(zai)惡劣工(gong)況環境(jing)下可靠(kao)運行。防(fang)護等級(ji) I P65。軟件(jian)設計具(ju)有在線(xian)自診斷(duan)(包括失(shi)電報警(jing));軟件控(kong)制采用(yong)✡️模糊控(kong)制(Fuzzy Cotltro J)策略(lue) , 确保(bao)排水對(dui)氣源系(xi)統壓力(li)的擾動(dong)最小,從(cong)而保障(zhang)氣動執(zhi)⛹🏻♀️行🛌🏻機構(gou)和/或控(kong)制單元(yuan)的安全(quan)穩定可(ke)靠。
GAS 型(xing)智能氣(qi)源淨化(hua)裝置 采用(yong)模塊化(hua)設計 , 産品根(gen)據 可 不同用(yong) 戶(hu)要求, 分單(dan)回路、雙(shuang)回路、四(si)回路 等規(gui)格 。
三(san)、技術指(zhi)标
l 供電電(dian)源:電壓(ya): 8 5~2 65 V AC 頻(pin)率:50HZ±10%
l 環境溫(wen)度:-20~60℃
l 環境濕(shi)度: ≤ 95%RH
防護(hu)等級:IP65
l 網絡(luo)接口:RS485(可(ke)選件)
l 數據(ju)保存:設(she)定數據(ju)永久保(bao)存
l 工作介(jie)質:壓縮(suo)空氣
l 介質(zhi) 溫(wen)度:-2 5 ~ 8 0℃
l 輸(shu)入、輸出(chu)氣源壓(ya)力:≤9.9kgf/cm2
l 過濾器(qi)輸出流(liu)量 : 8000L/min
l 輸入(ru)、輸出氣(qi)源管路(lu):Φ25、Φ35(可根據(ju) 用(yong)戶要求(qiu) 定(ding) 制(zhi) )
l
過濾(lü)精度:過(guo)濾精度(du)達到5μm,除(chu)水效率(lü)不低于(yu)96%
四、安(an)裝及保(bao)養
GAS 型(xing)智能氣(qi)源淨化(hua)裝置可(ke)根據現(xian)場條件(jian),水平放(fang)置在👌氣(qi)源管路(lu)的旁邊(bian),進氣及(ji)出氣管(guan)(在箱體(ti)側面)采(cai)用焊接(jie)式活絡(luo)接頭😵💫連(lian)接(也可(ke)根據用(yong)戶要求(qiu)采用金(jin)屬軟管(guan)),根據自(zi)身氣~源(yuan)的質量(liang)定期更(geng)換濾芯(xin),确保氣(qi)源暢通(tong)無阻,保(bao)😜障全廠(chang)的氣動(dong)設備正(zheng)常運行(hang)。
安(an)裝時隻(zhi)需放一(yi)路220V交流(liu)電源接(jie)入控制(zhi)箱内電(dian)源💘端子(zi)處,内👱🏼♂️部(bu)控制接(jie)線的出(chu)廠進均(jun)已接好(hao),不需用(yong)戶連👱🏼♂️接(jie),然後連(lian)接好👽進(jin)氣🧛🏽及出(chu)氣管路(lu),打開電(dian)源,設置(zhi)好控制(zhi)參數,即(ji)可投入(ru)使用✍🏻。
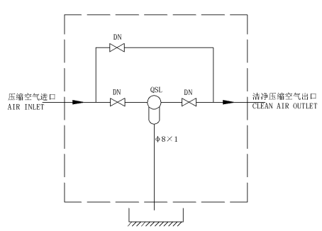
五、模(mo)式單元(yuan)圖
圖(tu)一 無源(yuan)
模(mo)式單元(yuan)圖
模(mo)式單元(yuan)圖
六、選型(xing)指導
CopyRight ©2015-2016 Website(C)無錫市(shi)萬周儀(yi)器儀表(biao)有限公(gong)司 All Rights Reserve. 蘇ICP備(bei)案編号(hao): 16010260号-2 技術(shu)支持:江(jiang)陰卓越(yue)科技
· ›